Wybór odpowiedniego kabla do domofonu i elektrozaczepu klucz do niezawodnej instalacji
- Typ kabla (YTKSY, UTP, YDY, żelowany) należy dopasować do rodzaju systemu (analog, cyfra, wideo) oraz miejsca montażu (wewnątrz/zewnątrz).
- Liczba żył: minimum 4-6 dla domofonu audio, więcej dla wideodomofonów i funkcji dodatkowych; zawsze zaleca się układanie kabli z zapasem żył.
- Przekrój żył: 0,5 mm² wystarcza do 30-50 metrów; na dłuższych dystansach (do 100 m) zwiększ przekrój do 0,75-0,8 mm² lub połącz dwie żyły po 0,5 mm².
- Elektrozaczep wymaga dedykowanego kabla 2x1mm² lub 2x1,5mm², aby zapobiec spadkom napięcia i zapewnić prawidłowe działanie.
- Kable zewnętrzne, szczególnie te układane w ziemi, muszą być żelowane (np. XzTKMXpw) lub ziemne (YKY), aby chronić instalację przed wilgocią i uszkodzeniami.
Jak zły kabel może zepsuć działanie nawet najlepszego sprzętu?
Wielokrotnie widziałem, jak inwestorzy, chcąc zaoszczędzić, wybierali kable o nieodpowiednich parametrach. Niestety, to pozorna oszczędność. Zastosowanie zbyt cienkiego przewodu, szczególnie na dłuższych odcinkach, prowadzi do znaczących spadków napięcia. W efekcie domofon może działać niestabilnie, dźwięk będzie zniekształcony, a wideodomofon może wyświetlać słabej jakości obraz lub w ogóle nie działać prawidłowo. Co gorsza, elektrozaczep, który wymaga sporego prądu do otwarcia, może po prostu nie zadziałać lub otwierać się z opóźnieniem. Zakłócenia sygnału, wynikające na przykład z prowadzenia kabla domofonowego obok przewodów 230V, również potrafią skutecznie uprzykrzyć życie. To wszystko nie tylko frustruje użytkowników, ale także skraca żywotność całej instalacji, prowadząc do kosztownych napraw.
Planowanie na lata: dlaczego warto pomyśleć o przyszłej rozbudowie już dziś?
Z mojego doświadczenia wynika, że planowanie instalacji domofonowej to nie tylko myślenie o "tu i teraz". To inwestycja na lata. Dlatego zawsze rekomenduję układanie kabli z pewnym zapasem żył. Nigdy nie wiadomo, czy za kilka lat nie zechcesz wymienić prostego domofonu audio na wideodomofon, dodać sterowanie bramą wjazdową, czy podłączyć dodatkowy panel wewnętrzny. Posiadanie kilku wolnych żył w kablu to ubezpieczenie na przyszłość. Dzięki temu unikniesz kucia ścian, prowadzenia nowych przewodów i związanych z tym kosztów oraz bałaganu. To niewielki wydatek na etapie budowy, który w przyszłości może okazać się bezcenny.

Pierwszy krok: zrozumienie typów kabli dostępnych na rynku
Zanim wybierzesz konkretny kabel, musisz poznać podstawowe typy i ich przeznaczenie. Rynek oferuje kilka rozwiązań, a każde z nich ma swoje mocne i słabe strony w kontekście instalacji domofonowej.
Przewód telekomunikacyjny (YTKSY) klasyka w instalacjach analogowych
W Polsce, przez wiele lat, przewód telekomunikacyjny YTKSY był standardem w instalacjach domofonowych, zwłaszcza tych analogowych. Charakteryzuje się on miedzianymi żyłami o przekroju najczęściej 0,5 mm² i jest dostępny w różnych konfiguracjach, np. 4-, 6-, 8- czy 10-żyłowych. Jego konstrukcja jest dobrze przystosowana do przesyłania sygnałów audio i sterujących w tradycyjnych systemach domofonowych. To sprawdzone i niezawodne rozwiązanie, które nadal jest chętnie stosowane w prostszych instalacjach.
Skrętka komputerowa (UTP/FTP) uniwersalne rozwiązanie dla nowoczesnych systemów
Wraz z rozwojem technologii, coraz większą popularność w instalacjach domofonowych, zwłaszcza wideodomofonowych, zdobywa skrętka komputerowa (UTP/FTP kat. 5e/6). Jest to rozwiązanie uniwersalne, które świetnie sprawdza się w systemach IP, wykorzystujących technologię PoE (Power over Ethernet), gdzie jeden kabel przesyła zarówno dane, jak i zasilanie. Skrętka jest odporna na zakłócenia, co jest jej dużą zaletą. Muszę jednak zaznaczyć, że w przypadku domofonów analogowych, na bardzo dużych odległościach, jej mniejszy przekrój żył (zazwyczaj 0,5 mm²) może prowadzić do spadków napięcia, dlatego warto to uwzględnić w projekcie.
Przewody instalacyjne (YDY, YKY) kiedy są niezbędne do zasilania?
Przewody takie jak YDY (do użytku wewnętrznego) i YKY (do użytku zewnętrznego, ziemnego) są zazwyczaj wykorzystywane do zasilania. Jeśli nasz domofon lub elektrozaczep wymaga zasilania 230V lub gdy transformator zasilający jest oddalony od urządzenia, to właśnie te kable o odpowiednio większym przekroju (np. 1,0-1,5 mm²) są najlepszym wyborem. Zapewniają one stabilne dostarczenie energii i są przystosowane do pracy z wyższymi napięciami.
Kable żelowane i ziemne jedyny słuszny wybór na zewnątrz
To absolutnie kluczowa kwestia, której nie można zlekceważyć. Jeśli planujesz prowadzić kabel na zewnątrz budynku, a zwłaszcza w ziemi, musisz zastosować przewody z odpowiednią izolacją. Kable żelowane (np. XzTKMXpw) lub kable ziemne (YKY) są jedynym słusznym wyborem. Ich konstrukcja chroni żyły przed wilgocią, mrozem i uszkodzeniami mechanicznymi. Stosowanie kabli przeznaczonych do użytku wewnętrznego (np. YDY) na zewnątrz to przepis na szybką awarię. Izolacja takiego kabla ulegnie degradacji pod wpływem czynników atmosferycznych, co doprowadzi do zwarć i uszkodzenia całej instalacji. Naprawa takiej usterki, zwłaszcza gdy kabel jest zakopany, jest niezwykle kosztowna i czasochłonna.
Ile żył naprawdę potrzebujesz? Praktyczny przewodnik
Liczba żył w kablu to kolejny parametr, który musisz dokładnie przemyśleć. Zbyt mała ich ilość uniemożliwi rozbudowę systemu, a nawet prawidłowe działanie podstawowych funkcji.
Minimum dla domofonu audio: od czego zacząć liczenie?
Dla prostego, jednorodzinnego domofonu analogowego, który służy jedynie do komunikacji głosowej i otwierania furtki, zazwyczaj potrzebujemy minimum 4 do 6 żył. To pozwala na podłączenie mikrofonu, słuchawki, przycisku otwierania i zasilania. Pamiętaj jednak, że to absolutne minimum. Zawsze, ale to zawsze, doradzam układanie kabla z zapasem żył.
Wideodomofon ile dodatkowych żył wymaga obraz i zaawansowane funkcje?
W przypadku wideodomofonów, szczególnie tych z dodatkowymi funkcjami, takimi jak sterowanie bramą wjazdową, podgląd z dodatkowych kamer czy integracja z systemem alarmowym, liczba potrzebnych żył znacząco wzrasta. Tutaj standardem staje się skrętka 8-żyłowa (4x2x0,5). Taki kabel zapewnia wystarczającą liczbę żył do przesyłania sygnału wideo, audio, zasilania i sygnałów sterujących, a także pozostawia cenne żyły zapasowe na przyszłość. W systemach IP często wystarczy jedna skrętka, ale warto sprawdzić specyfikację producenta.
Zapasowe żyły: Twoje ubezpieczenie na wypadek awarii i modernizacji
Chciałbym to podkreślić raz jeszcze: zapasowe żyły to Twój najlepszy przyjaciel w instalacji domofonowej. Po pierwsze, w przypadku uszkodzenia jednej z żył (co niestety się zdarza, np. podczas montażu), masz alternatywę bez konieczności wymiany całego kabla. Po drugie, jak już wspomniałem, to idealne rozwiązanie na przyszłość. Jeśli zdecydujesz się na rozbudowę systemu o nowe funkcje, takie jak sterowanie dodatkową bramą, oświetleniem czy wideodomofon, wolne żyły pozwolą Ci to zrobić szybko i bezinwazyjnie. To niewielki koszt na etapie zakupu kabla, który może zaoszczędzić Ci mnóstwo nerwów i pieniędzy w przyszłości.
Grubość ma znaczenie: jak dobrać przekrój żyły do odległości?
Przekrój żyły to jeden z najważniejszych parametrów, który bezpośrednio wpływa na niezawodność i jakość działania całej instalacji. Ignorowanie go to proszenie się o kłopoty.
Złota zasada: im dalej, tym grubszy kabel
To prosta, ale niezwykle ważna zasada w elektryce i teletechnice. Im dłuższy jest odcinek kabla, tym większy opór stawia on przepływającemu prądowi. Skutkuje to spadkami napięcia, które mogą być krytyczne dla prawidłowego działania domofonu, a zwłaszcza elektrozaczepu. Dlatego też, na dłuższych dystansach, musimy zastosować kable o większym przekroju żył, aby zminimalizować te spadki i zapewnić stabilny sygnał oraz zasilanie.
Krótkie dystanse (do 30m) jaki przekrój będzie wystarczający?
W przypadku instalacji domofonowej, gdzie odległość między panelem zewnętrznym a unifonem/monitorem wewnętrznym nie przekracza 30-50 metrów, zazwyczaj wystarczający będzie kabel o przekroju żył 0,5 mm². Taki przekrój jest standardem w wielu typach kabli telekomunikacyjnych i w większości przypadków zapewnia stabilne działanie systemu audio i wideo na krótkich odcinkach.
Dłuższe instalacje (powyżej 50m) jak uniknąć problemów z jakością sygnału?
Gdy instalacja przekracza 50 metrów, musimy działać bardziej strategicznie. Na dystansach do 100 metrów, aby uniknąć problemów ze spadkami napięcia i jakością sygnału, rekomenduję zwiększenie przekroju żył do 0,75 mm² lub nawet 0,8 mm². Alternatywnym, często stosowanym rozwiązaniem jest łączenie dwóch żył o przekroju 0,5 mm² w jedną, co efektywnie zwiększa przekrój i zmniejsza opór. Pamiętaj, że dla zasilania elektrozaczepu, nawet na krótszych odcinkach, potrzebny będzie większy przekrój, o czym za chwilę.

Osobna kwestia: jaki kabel zasili elektrozaczep w furtce?
Elektrozaczep to element, który wymaga szczególnego traktowania. Jego niezawodne działanie jest kluczowe dla bezpieczeństwa i komfortu użytkowania.
Dlaczego elektrozaczep wymaga dedykowanego podejścia?
Elektrozaczep, w przeciwieństwie do reszty systemu domofonowego, charakteryzuje się dużym chwilowym zapotrzebowaniem na prąd w momencie otwierania. Jeśli kabel doprowadzający do niego zasilanie będzie miał zbyt mały przekrój, dojdzie do znacznego spadku napięcia. W efekcie elektrozaczep może działać nieprawidłowo nie otwierać się wcale, otwierać się z opóźnieniem lub wydawać charakterystyczny, słaby dźwięk. To nie tylko irytujące, ale może prowadzić do sytuacji, w której furtka pozostanie zamknięta lub, co gorsza, nie zostanie prawidłowo zabezpieczona.
Rekomendowany przekrój kabla do elektrozaczepu, by działał bez zarzutu
Aby zapewnić niezawodne działanie elektrozaczepu, niezależnie od odległości (w rozsądnych granicach), zawsze rekomenduję zastosowanie dedykowanego kabla o przekroju żył 2x1mm² lub nawet 2x1,5mm². Taki przekrój minimalizuje spadki napięcia i gwarantuje, że elektrozaczep otrzyma wystarczającą moc do prawidłowego działania. To jest ten element instalacji, na którym absolutnie nie warto oszczędzać.
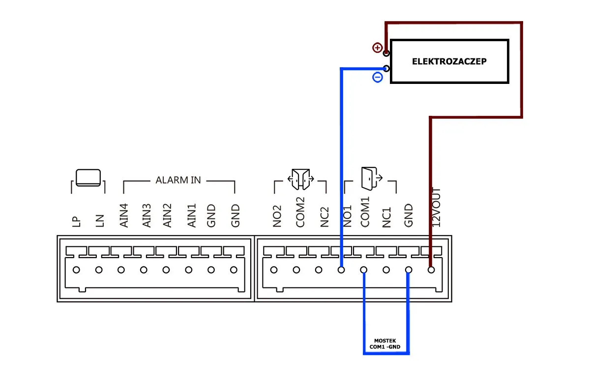
Czy można zasilać elektrozaczep z tego samego kabla co domofon?
Często zadajecie mi to pytanie. Technicznie rzecz biorąc, jest to możliwe, jeśli kabel domofonowy posiada odpowiednią liczbę żył i co najważniejsze, odpowiedni przekrój dla zasilania elektrozaczepu (czyli te wspomniane 1,0-1,5 mm²). Jeśli jednak kabel domofonowy ma cieńsze żyły (np. 0,5 mm²), a my spróbujemy zasilić z niego elektrozaczep, niemal na pewno pojawią się problemy. Prąd pobierany przez elektrozaczep może powodować spadki napięcia, które wpłyną również na działanie domofonu pogorszenie jakości dźwięku czy obrazu. Dlatego, aby uniknąć wzajemnych zakłóceń i zapewnić stabilność obu elementów, często lepszym i bezpieczniejszym rozwiązaniem jest poprowadzenie dedykowanej pary przewodów tylko do elektrozaczepu.
Montaż w praktyce: najczęstsze błędy, których musisz unikać
Nawet najlepszy kabel nie spełni swojej funkcji, jeśli instalacja zostanie wykonana nieprawidłowo. Oto najczęstsze błędy, na które zwracam uwagę.
Błąd #1: Stosowanie kabli wewnętrznych na zewnątrz budynku
To jeden z najpoważniejszych i niestety bardzo częstych błędów. Użycie kabli przeznaczonych do wnętrz, takich jak YDY, na zewnątrz lub co gorsza, zakopanie ich w ziemi, to gwarancja szybkiej awarii. Izolacja tych kabli nie jest odporna na wilgoć, promieniowanie UV, mróz czy uszkodzenia mechaniczne. Po kilku sezonach izolacja pęka, żyły korodują, a cała instalacja przestaje działać. Naprawa takiej usterki jest bardzo kosztowna, ponieważ wymaga odkopywania i wymiany całego odcinka kabla.
Błąd #2: Prowadzenie kabli domofonowych tuż obok przewodów 230V
Kable domofonowe przesyłają sygnały niskonapięciowe, które są bardzo wrażliwe na zakłócenia elektromagnetyczne. Prowadzenie ich równolegle i w bliskiej odległości od przewodów zasilających 230V to prosta droga do zakłóceń sygnału. Może to objawiać się szumami w słuchawce, zniekształceniami obrazu w wideodomofonie, a nawet niestabilnym działaniem elektrozaczepu. Zawsze staraj się zachować odpowiedni odstęp między tymi dwoma typami instalacji lub, jeśli to niemożliwe, krzyżuj je pod kątem prostym.
Błąd #3: Brak zapasu kabla przy urządzeniach i w puszkach
Wydaje się to drobiazgiem, ale brak odpowiedniego zapasu kabla przy panelu zewnętrznym, unifonie/monitorze wewnętrznym czy w puszkach montażowych to prawdziwa udręka dla instalatora i przyszłego użytkownika. Utrudnia to nie tylko samo podłączenie urządzeń, ale także wszelkie przyszłe naprawy, wymiany czy modyfikacje. Zawsze zostaw minimum 30-50 cm zapasu zwiniętego kabla w puszce lub za urządzeniem. To pozwoli na swobodne manewrowanie i komfortową pracę.
Błąd #4: Ignorowanie zaleceń producenta domofonu
Wielu producentów domofonów i wideodomofonów w swoich instrukcjach montażu podaje konkretne zalecenia dotyczące okablowania. Mogą to być specyficzne typy kabli, minimalne przekroje żył dla określonych odległości, a nawet schematy podłączeń. Ignorowanie tych wytycznych to nie tylko ryzyko nieprawidłowego działania systemu, ale także utrata gwarancji. Zawsze poświęć chwilę na zapoznanie się z dokumentacją techniczną urządzenia to naprawdę się opłaca.
Podsumowanie: Twoja checklista wyboru idealnego kabla
Dobór odpowiedniego kabla do domofonu i elektrozaczepu nie musi być skomplikowany, jeśli podejdziesz do tego metodycznie. Oto moja krótka checklista, która pomoże Ci podjąć właściwą decyzję.
Krok 1: Określ typ swojego systemu (audio, wideo, IP)
Zacznij od podstaw: czy planujesz prosty domofon audio, wideodomofon analogowy, czy może nowoczesny system IP? Rodzaj systemu determinuje podstawowe wymagania co do typu kabla (np. YTKSY dla analogu, skrętka dla IP) i liczby potrzebnych żył. To kluczowa decyzja, która wpłynie na całą resztę projektu.
Krok 2: Zmierz kluczowe odległości w instalacji
Dokładnie zmierz odległości między panelem zewnętrznym a unifonem/monitorem, a także odległość do elektrozaczepu. Pamiętaj, że liczy się rzeczywista długość kabla, a nie odległość w linii prostej. Te pomiary są niezbędne do prawidłowego dobrania przekroju żył, co pozwoli uniknąć problemów ze spadkami napięcia i zapewni stabilne działanie całego systemu.
Przeczytaj również: Awaria domofonu? Krok po kroku zgłoś usterkę i poznaj koszty
Krok 3: Wybierz odpowiedni typ i przekrój kabla z zapasem żył
Mając te informacje, możesz wybrać konkretny kabel. Pamiętaj o zasadzie "im dalej, tym grubszy kabel" i zawsze wybieraj przekrój z zapasem, zwłaszcza dla elektrozaczepu. Nie zapomnij również o zapasie żył na przyszłość. Jeśli kabel ma być prowadzony na zewnątrz lub w ziemi, bezwzględnie wybierz wersję żelowaną lub ziemną. Dzięki temu Twoja instalacja będzie niezawodna, trwała i gotowa na ewentualne przyszłe modernizacje.
